NNC68A
CLION
| Verfügbarkeitsstatus: | |
|---|---|
| Menge: | |
Das elektromagnetische Relais LY2 ist ein fortschrittliches elektrisches Gerät, das mehrere Schlüsselfunktionen für einen effizienten und zuverlässigen Betrieb bietet.Ausgestattet mit einer SMD-LED-Anzeige bietet dieses Relais eine visuelle Rückmeldung, sodass Benutzer seinen Status leicht erkennen können.Die LED-Anzeige erhöht den Komfort und die Benutzerfreundlichkeit des Relais, insbesondere bei Anwendungen, bei denen eine schnelle Überwachung erforderlich ist.
Ein bemerkenswertes Merkmal des LY2-Relais ist seine höhere Effizienz aufgrund des Einbaus einer Metallhalterung.Der Metallhalter gewährleistet einen sicheren und stabilen Kontakt zwischen Spule und Kontakten, minimiert Energieverluste und maximiert die Gesamtleistung des Relais.Diese Funktion macht das LY2-Relais zur idealen Wahl für Anwendungen, die einen hohen Wirkungsgrad und eine optimale Energienutzung erfordern.
Darüber hinaus zeichnet sich das LY2-Relais dank seiner Kupferspule durch eine längere Lebensdauer aus.Die Kupferspule bietet eine hervorragende Leitfähigkeit und Wärmeableitung, was im Laufe der Zeit zu einem geringeren Verschleiß führt.Diese verlängerte Lebensdauer gewährleistet die Zuverlässigkeit und Haltbarkeit des LY2-Relais und macht es für den langfristigen Einsatz in verschiedenen anspruchsvollen Umgebungen geeignet.
Das LY2-Relais verfügt außerdem über eine hohe Schaltstromkapazität, sodass es große elektrische Lasten effektiv bewältigen kann.Mit seinem maximalen Schaltstrom kann dieses Relais Hochleistungsstromkreise problemlos steuern und regeln.Durch diese Funktion eignet sich das LY2-Relais für Anwendungen, die die Verwaltung erheblicher elektrischer Ströme erfordern.
Schließlich bietet das elektromagnetische Relais LY2 den Vorteil eines anpassbaren Namensschilds, das eine individuelle Beschriftung und Identifizierung ermöglicht.Diese Funktion gewährleistet eine einfache Identifizierung und Organisation des Relais in verschiedenen Anwendungen.Mit einem anpassbaren Namensschild können Benutzer das Relais bequem entsprechend ihren spezifischen Anforderungen beschriften und so die Gesamteffizienz und Benutzerfreundlichkeit verbessern.
Zusammenfassend lässt sich sagen, dass das elektromagnetische Relais LY2 ein hocheffizientes und zuverlässiges Gerät ist, das über mehrere Schlüsselfunktionen für eine optimale Leistung verfügt.Mit seiner SMD-LED-Anzeige, der Metallhalterung für höhere Effizienz, der Kupferspule für längere Lebensdauer, der hohen Schaltstromkapazität und der verriegelbaren Testtaste für einfache Bedienung ist das LY2-Relais eine vielseitige Komponente, die für verschiedene Anwendungen in verschiedenen Branchen geeignet ist.
NIEDRIGER STROM, NIEDRIGE SPANNUNG
könnte Ihre erste Wahl sein
NNC68AVL(JQX-13F) Allzweckrelais |
| ||||
Modell und Beschreibung | |||||
| NNC68AVL-2Z | |||||
★Kontaktformular: H=NO, D=NC, Z=NO&NC | |||||
Spezifikation | |||||
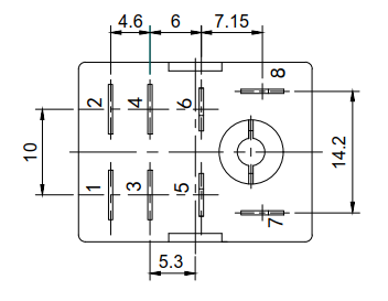
Abmessungen | 27,3 mm * 21 mm * 35 mm | ||||
Kontaktfunktion | Bilden | 2Z(DPDT);2H(DPST-NO);2D(DPST-NC) | |||
Nennlast | 12A | ||||
Maximale Schaltspannung | 240VAC/28VDC | ||||
Kontakt Widerstand | ≤100mΩ | ||||
Material | Ag-Legierung (AgSnO2) | ||||
Elektrisches Leben | ≥1*105 | ||||
Mechanisches Leben | ≥1*107 | ||||
Betriebsspannung (23℃) | DC: ≤ 75 % * Nennspannung, AC: ≤ 80 % * Nennspannung | ||||
Freigabespannung (23℃) | DC:≥10 %*Nennspannung, AC:≥30 %*Nennspannung | ||||
Maximale Spannung (23℃) | 110 %*Nennspannung | ||||
Spulenspannung | DC6-220V, AC6-380V (Anpassen möglich) | ||||
Spulenleistung | Gleichstrom: 0,9 W, Wechselstrom: 1,2 VA | ||||
Abholzeit | ≤15ms | ||||
Veröffentlichkeitsdatum | ≤10ms | ||||
Spannungsfestigkeit | Zwischen offenen Kontakten desselben Pols | 1000 VAC für 1 Minute | |||
Zwischen Kontakten verschiedener Pole | 1000 VAC für 1 Minute | ||||
Zwischen Kontakten und Spule | 1500 VAC für 1 Minute/4500 VAC für 1 Minute | ||||
Isolationswiderstand | ≥100 mΩ (500 VDC) | ||||
Umgebungstemperatur | -40°C ~ 85°C | ||||
Umgebungsfeuchtigkeit | 45 %–75 % relative Luftfeuchtigkeit | ||||
Luftdruck | 86–106 kPa | ||||
Stoßfestigkeit | 10G (sinusförmiger Halbwellenimpuls: 11 ms) | ||||
Vibrations-Resistenz | 10–55 Hz (doppelte Amplitude: 1,5 mm) | ||||
Installation | Leiterplatte oder Sockel mit DIN-Schiene | ||||
Gewicht | Ca.35g/Stück | ||||
Verpackung | Karton mit Papierschachtel im Inneren | 600 Stück/Karton, GW: 21 kg, NW 20 kg, Abmessung (mm): 330 x 310 x 345 | |||
Abmessungen | 27,3 mm * 21 mm * 35 mm | ||||
Schaltplan und Ansicht von unten | |||||
Leistungsdiagramm | |||||
Das elektromagnetische Relais LY2 ist ein fortschrittliches elektrisches Gerät, das mehrere Schlüsselfunktionen für einen effizienten und zuverlässigen Betrieb bietet.Ausgestattet mit einer SMD-LED-Anzeige bietet dieses Relais eine visuelle Rückmeldung, sodass Benutzer seinen Status leicht erkennen können.Die LED-Anzeige erhöht den Komfort und die Benutzerfreundlichkeit des Relais, insbesondere bei Anwendungen, bei denen eine schnelle Überwachung erforderlich ist.
Ein bemerkenswertes Merkmal des LY2-Relais ist seine höhere Effizienz aufgrund des Einbaus einer Metallhalterung.Der Metallhalter gewährleistet einen sicheren und stabilen Kontakt zwischen Spule und Kontakten, minimiert Energieverluste und maximiert die Gesamtleistung des Relais.Diese Funktion macht das LY2-Relais zur idealen Wahl für Anwendungen, die einen hohen Wirkungsgrad und eine optimale Energienutzung erfordern.
Darüber hinaus zeichnet sich das LY2-Relais dank seiner Kupferspule durch eine längere Lebensdauer aus.Die Kupferspule bietet eine hervorragende Leitfähigkeit und Wärmeableitung, was im Laufe der Zeit zu einem geringeren Verschleiß führt.Diese verlängerte Lebensdauer gewährleistet die Zuverlässigkeit und Haltbarkeit des LY2-Relais und macht es für den langfristigen Einsatz in verschiedenen anspruchsvollen Umgebungen geeignet.
Das LY2-Relais verfügt außerdem über eine hohe Schaltstromkapazität, sodass es große elektrische Lasten effektiv bewältigen kann.Mit seinem maximalen Schaltstrom kann dieses Relais Hochleistungsstromkreise problemlos steuern und regeln.Durch diese Funktion eignet sich das LY2-Relais für Anwendungen, die die Verwaltung erheblicher elektrischer Ströme erfordern.
Schließlich bietet das elektromagnetische Relais LY2 den Vorteil eines anpassbaren Namensschilds, das eine individuelle Beschriftung und Identifizierung ermöglicht.Diese Funktion gewährleistet eine einfache Identifizierung und Organisation des Relais in verschiedenen Anwendungen.Mit einem anpassbaren Namensschild können Benutzer das Relais bequem entsprechend ihren spezifischen Anforderungen beschriften und so die Gesamteffizienz und Benutzerfreundlichkeit verbessern.
Zusammenfassend lässt sich sagen, dass das elektromagnetische Relais LY2 ein hocheffizientes und zuverlässiges Gerät ist, das über mehrere Schlüsselfunktionen für eine optimale Leistung verfügt.Mit seiner SMD-LED-Anzeige, der Metallhalterung für höhere Effizienz, der Kupferspule für längere Lebensdauer, der hohen Schaltstromkapazität und der verriegelbaren Testtaste für einfache Bedienung ist das LY2-Relais eine vielseitige Komponente, die für verschiedene Anwendungen in verschiedenen Branchen geeignet ist.
NIEDRIGER STROM, NIEDRIGE SPANNUNG
könnte Ihre erste Wahl sein
NNC68AVL(JQX-13F) Allzweckrelais |
| ||||
Modell und Beschreibung | |||||
| NNC68AVL-2Z | |||||
★Kontaktformular: H=NO, D=NC, Z=NO&NC | |||||
Spezifikation | |||||
Abmessungen | 27,3 mm * 21 mm * 35 mm | ||||
Kontaktfunktion | Bilden | 2Z(DPDT);2H(DPST-NO);2D(DPST-NC) | |||
Nennlast | 12A | ||||
Maximale Schaltspannung | 240VAC/28VDC | ||||
Kontakt Widerstand | ≤100mΩ | ||||
Material | Ag-Legierung (AgSnO2) | ||||
Elektrisches Leben | ≥1*105 | ||||
Mechanisches Leben | ≥1*107 | ||||
Betriebsspannung (23℃) | DC: ≤ 75 % * Nennspannung, AC: ≤ 80 % * Nennspannung | ||||
Freigabespannung (23℃) | DC:≥10 %*Nennspannung, AC:≥30 %*Nennspannung | ||||
Maximale Spannung (23℃) | 110 %*Nennspannung | ||||
Spulenspannung | DC6-220V, AC6-380V (Anpassen möglich) | ||||
Spulenleistung | Gleichstrom: 0,9 W, Wechselstrom: 1,2 VA | ||||
Abholzeit | ≤15ms | ||||
Veröffentlichkeitsdatum | ≤10ms | ||||
Spannungsfestigkeit | Zwischen offenen Kontakten desselben Pols | 1000 VAC für 1 Minute | |||
Zwischen Kontakten verschiedener Pole | 1000 VAC für 1 Minute | ||||
Zwischen Kontakten und Spule | 1500 VAC für 1 Minute/4500 VAC für 1 Minute | ||||
Isolationswiderstand | ≥100 mΩ (500 VDC) | ||||
Umgebungstemperatur | -40°C ~ 85°C | ||||
Umgebungsfeuchtigkeit | 45 %–75 % relative Luftfeuchtigkeit | ||||
Luftdruck | 86–106 kPa | ||||
Stoßfestigkeit | 10G (sinusförmiger Halbwellenimpuls: 11 ms) | ||||
Vibrations-Resistenz | 10–55 Hz (doppelte Amplitude: 1,5 mm) | ||||
Installation | Leiterplatte oder Sockel mit DIN-Schiene | ||||
Gewicht | Ca.35g/Stück | ||||
Verpackung | Karton mit Papierschachtel im Inneren | 600 Stück/Karton, GW: 21 kg, NW 20 kg, Abmessung (mm): 330 x 310 x 345 | |||
Abmessungen | 27,3 mm * 21 mm * 35 mm | ||||
Schaltplan und Ansicht von unten | |||||
Leistungsdiagramm | |||||