NNC68B
CLION
| Verfügbarkeitsstatus: | |
|---|---|
| Menge: | |
Einführung der NNC68B -Serie, einer Reihe von Miniatur -Zwischenleistungsrelais, die für Präzision und Zuverlässigkeit in verschiedenen Anwendungen ausgelegt sind. Diese Relais, die mit einer robusten Konstruktion und einem kompakten Formfaktor entwickelt wurden, sind der Epitom für Effizienz und Haltbarkeit.
Produktfunktionen:
Miniaturdesign: Die NNC68B-Serie hat eine Miniaturform, was sie ideal für räumlich begrenzte Umgebungen macht, in denen jeder Millimeter zählt.
SMD-LED-Indikator: Mit einem SMD-LED-Indikator (Surface Mount Device) ausgestattet, bieten diese Relais eine klare visuelle Bestätigung des Betriebsstatus.
Mechanischer Betriebsindikator: Für zusätzliche Bequemlichkeit ist ein mechanischer Betriebsindikator enthalten, der die Zuverlässigkeit in Umgebungen gewährleistet, in denen visuelle Indikatoren möglicherweise nicht ausreichen.
Schaltbarer Testkaste: Eine eindeutige Funktion, die lockbare Testtaste ermöglicht eine einfache Diagnose und Tests, ohne dass zusätzliche Werkzeuge erforderlich sind.
Vielseitige Kontaktpolen: Diese Relais sind mit 2 bis 4 Kontaktstangen erhältlich und können auf eine breite Palette von Schaltanforderungen zugeschnitten werden.
Hohe Schaltfähigkeit: Die NNC68B -Serie kann mit bis zu 10A umgehen und eignet sich perfekt für Anwendungen, die hohe Stromschaltungen fordern.
PCB- und Lötenterminals: Diese Relais bieten sowohl PCB -Terminals als auch Lötanschlüsse und bieten Flexibilität bei der Installation und Integration.
ROHS Compliance: In Übereinstimmung mit den Umweltstandards ist die NNC68B-Serie ROHS-konform und sorgt für Nachhaltigkeit und Umweltfreundlichkeit.
Produktvorteile:
Option versiegelter Typ: Für Anwendungen, die zusätzlichen Schutz vor Staub und Feuchtigkeit erfordern, ist eine versiegelte Typvariante verfügbar.
Anpassbar mit Namensschild und Testknopf: Die Option, eine Namensschild und eine Testknopf einzuschließen, ermöglicht die Anpassung an bestimmte Betriebsanforderungen.
LED- und Diodenindikatoren: Varianten mit LED- und Diodenindikatoren bieten visuelles Feedback für die Statusüberwachung und verbessern die Benutzerinteraktion.
Mehrere Kontaktformulare: Mit einer Vielzahl von Kontaktformularen wie ZC (CO), HA (NO) und DB (NC) können diese Relais so konfiguriert werden, dass sie unterschiedliche Schaltanwendungen anpassen.
Die NNC68B -Serie ist mit einem breiten Spektrum von DC- und Wechselspulenspannungen kompatibel: Die NNC68B -Serie ist für verschiedene Stromquellen vielseitig.
Hochkontakte Bewertung: Die Relais werden für einen hohen Kontaktwiderstand bewertet, um eine langlebige und zuverlässige Leistung zu gewährleisten.
Agalloy -Kontaktmaterial: Die Verwendung von Agalloy (AGSNO2) für Kontaktmaterial bietet eine hervorragende elektrische Leitfähigkeit und Haltbarkeit.
Mechanische und elektrische Ausdauer: Mit mindestens 1x10^7 Operationen für mechanische Ausdauer und 1x10^5 für die elektrische Ausdauer werden diese Relais für die Dauer gebaut.
Sicherheits- und Umweltstandards: Einhalten an strengen Sicherheits- und Umweltstandards mit Zertifizierungen wie UL, TUV, CQC und CE sind diese Relais zuverlässig und konform für globale Märkte.
Abschluss:
Die NNC68B -Serie repräsentiert den Höhepunkt der Relay -Technologie und kombiniert ein kompaktes Design mit hoher Leistung und Vielseitigkeit. Mit der Verpflichtung zu Qualität und Einhaltung sind diese Relais die bevorzugte Wahl für Ingenieure, die eine zuverlässige und effiziente Lösung für ihre Schaltanforderungen anstreben.
NNC68BVL (MY2N, MY4N) Allgemeines Relais |
| ||||||||
Modell und Beschreibung | |||||||||
My2n, my4n |
|
| |||||||
Spezifikation | |||||||||
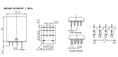
Dimension | 27,3 mm*21 mm*36,2 mm | ||||||||
Kontaktfunktion | Bilden | 2z (dpdt); 2H (dpst-no); 2d (dpst-nc) | 4Z (4PDT); 4H (4PST-NO); 4D (4PST-NC) | ||||||
Bewertungslast | 6,5a/10a | 5a | |||||||
Max -Schaltspannung | 240 VAC/28VDC | ||||||||
Kontaktwiderstand | ≤ 100mΩ | ||||||||
Material | Ag -Legierung (AGSNO2) | ||||||||
Elektrisches Leben | ≥1*105 | ||||||||
Mechanisches Leben | ≥1*107 | ||||||||
Spannung betreiben (23 ℃) | DC: ≤ 75%*Nennspannung, AC: ≤ 80%*Nennspannung | ||||||||
Spannung freigeben (23 ℃) | DC: ≥ 10%*Nennspannung, AC: ≥ 30%*Nennspannung | ||||||||
Maximale Spannung (23 ℃) | 110%*Nennspannung | ||||||||
Spannungsspannung | DC6-220V, AC6-380V (anpassen erlaubt) | ||||||||
Spulenkraft | DC: 0,9W, AC: 1,2 VA | ||||||||
Abholzeit | ≤ 15 ms | ||||||||
Freigabezeit | ≤ 10 ms | ||||||||
Dielektrische Stärke | Zwischen offenen Kontakten desselben Pols | 1000 VAC für 1 Minute | |||||||
Zwischen Kontakten verschiedener Pole | 1000 VAC für 1 Minute | ||||||||
Zwischen Kontakten und Spule | 1500 VAC für 1 Minute/4500 VAC für 1 Minute | ||||||||
Isolationsresistenz | ≥100 mΩ (500VDC) | ||||||||
Umgebungstemperatur | -40 ° C ~ 85 ° C. | ||||||||
Umgebungsfeuchtigkeit | 45%-85%rel | ||||||||
Atmosphärischer Druck | 86-106KPA | ||||||||
Stoßwiderstand | 10g (sinusförmiger Halbwellenimpuls: 11 ms) | ||||||||
Vibrationswiderstand | 10-55Hz (Doppelamplitude: 1,5 mm) | ||||||||
Installation | PCB oder Steckdose mit DIN -Schiene oder Schraube | ||||||||
Gewicht | Ca. 33G/PCs | Ca. 35G/PCs | |||||||
Verpackung | Karton mit Papierschachtel im Inneren | 600pcs/Karton, GW: 21 kg, NW: 20 kg, Dimension (mm): 330 × 310 × 345 | |||||||
Schaltplan und Bodenansicht | |||||||||
Einführung der NNC68B -Serie, einer Reihe von Miniatur -Zwischenleistungsrelais, die für Präzision und Zuverlässigkeit in verschiedenen Anwendungen ausgelegt sind. Diese Relais, die mit einer robusten Konstruktion und einem kompakten Formfaktor entwickelt wurden, sind der Epitom für Effizienz und Haltbarkeit.
Produktfunktionen:
Miniaturdesign: Die NNC68B-Serie hat eine Miniaturform, was sie ideal für räumlich begrenzte Umgebungen macht, in denen jeder Millimeter zählt.
SMD-LED-Indikator: Mit einem SMD-LED-Indikator (Surface Mount Device) ausgestattet, bieten diese Relais eine klare visuelle Bestätigung des Betriebsstatus.
Mechanischer Betriebsindikator: Für zusätzliche Bequemlichkeit ist ein mechanischer Betriebsindikator enthalten, der die Zuverlässigkeit in Umgebungen gewährleistet, in denen visuelle Indikatoren möglicherweise nicht ausreichen.
Schaltbarer Testkaste: Eine eindeutige Funktion, die lockbare Testtaste ermöglicht eine einfache Diagnose und Tests, ohne dass zusätzliche Werkzeuge erforderlich sind.
Vielseitige Kontaktpolen: Diese Relais sind mit 2 bis 4 Kontaktstangen erhältlich und können auf eine breite Palette von Schaltanforderungen zugeschnitten werden.
Hohe Schaltfähigkeit: Die NNC68B -Serie kann mit bis zu 10A umgehen und eignet sich perfekt für Anwendungen, die hohe Stromschaltungen fordern.
PCB- und Lötenterminals: Diese Relais bieten sowohl PCB -Terminals als auch Lötanschlüsse und bieten Flexibilität bei der Installation und Integration.
ROHS Compliance: In Übereinstimmung mit den Umweltstandards ist die NNC68B-Serie ROHS-konform und sorgt für Nachhaltigkeit und Umweltfreundlichkeit.
Produktvorteile:
Option versiegelter Typ: Für Anwendungen, die zusätzlichen Schutz vor Staub und Feuchtigkeit erfordern, ist eine versiegelte Typvariante verfügbar.
Anpassbar mit Namensschild und Testknopf: Die Option, eine Namensschild und eine Testknopf einzuschließen, ermöglicht die Anpassung an bestimmte Betriebsanforderungen.
LED- und Diodenindikatoren: Varianten mit LED- und Diodenindikatoren bieten visuelles Feedback für die Statusüberwachung und verbessern die Benutzerinteraktion.
Mehrere Kontaktformulare: Mit einer Vielzahl von Kontaktformularen wie ZC (CO), HA (NO) und DB (NC) können diese Relais so konfiguriert werden, dass sie unterschiedliche Schaltanwendungen anpassen.
Die NNC68B -Serie ist mit einem breiten Spektrum von DC- und Wechselspulenspannungen kompatibel: Die NNC68B -Serie ist für verschiedene Stromquellen vielseitig.
Hochkontakte Bewertung: Die Relais werden für einen hohen Kontaktwiderstand bewertet, um eine langlebige und zuverlässige Leistung zu gewährleisten.
Agalloy -Kontaktmaterial: Die Verwendung von Agalloy (AGSNO2) für Kontaktmaterial bietet eine hervorragende elektrische Leitfähigkeit und Haltbarkeit.
Mechanische und elektrische Ausdauer: Mit mindestens 1x10^7 Operationen für mechanische Ausdauer und 1x10^5 für die elektrische Ausdauer werden diese Relais für die Dauer gebaut.
Sicherheits- und Umweltstandards: Einhalten an strengen Sicherheits- und Umweltstandards mit Zertifizierungen wie UL, TUV, CQC und CE sind diese Relais zuverlässig und konform für globale Märkte.
Abschluss:
Die NNC68B -Serie repräsentiert den Höhepunkt der Relay -Technologie und kombiniert ein kompaktes Design mit hoher Leistung und Vielseitigkeit. Mit der Verpflichtung zu Qualität und Einhaltung sind diese Relais die bevorzugte Wahl für Ingenieure, die eine zuverlässige und effiziente Lösung für ihre Schaltanforderungen anstreben.
NNC68BVL (MY2N, MY4N) Allgemeines Relais |
| ||||||||
Modell und Beschreibung | |||||||||
My2n, my4n |
|
| |||||||
Spezifikation | |||||||||
Dimension | 27,3 mm*21 mm*36,2 mm | ||||||||
Kontaktfunktion | Bilden | 2z (dpdt); 2H (dpst-no); 2d (dpst-nc) | 4Z (4PDT); 4H (4PST-NO); 4D (4PST-NC) | ||||||
Bewertungslast | 6,5a/10a | 5a | |||||||
Max -Schaltspannung | 240 VAC/28VDC | ||||||||
Kontaktwiderstand | ≤ 100mΩ | ||||||||
Material | Ag -Legierung (AGSNO2) | ||||||||
Elektrisches Leben | ≥1*105 | ||||||||
Mechanisches Leben | ≥1*107 | ||||||||
Spannung betreiben (23 ℃) | DC: ≤ 75%*Nennspannung, AC: ≤ 80%*Nennspannung | ||||||||
Spannung freigeben (23 ℃) | DC: ≥ 10%*Nennspannung, AC: ≥ 30%*Nennspannung | ||||||||
Maximale Spannung (23 ℃) | 110%*Nennspannung | ||||||||
Spannungsspannung | DC6-220V, AC6-380V (anpassen erlaubt) | ||||||||
Spulenkraft | DC: 0,9W, AC: 1,2 VA | ||||||||
Abholzeit | ≤ 15 ms | ||||||||
Freigabezeit | ≤ 10 ms | ||||||||
Dielektrische Stärke | Zwischen offenen Kontakten desselben Pols | 1000 VAC für 1 Minute | |||||||
Zwischen Kontakten verschiedener Pole | 1000 VAC für 1 Minute | ||||||||
Zwischen Kontakten und Spule | 1500 VAC für 1 Minute/4500 VAC für 1 Minute | ||||||||
Isolationsresistenz | ≥100 mΩ (500VDC) | ||||||||
Umgebungstemperatur | -40 ° C ~ 85 ° C. | ||||||||
Umgebungsfeuchtigkeit | 45%-85%rel | ||||||||
Atmosphärischer Druck | 86-106KPA | ||||||||
Stoßwiderstand | 10g (sinusförmiger Halbwellenimpuls: 11 ms) | ||||||||
Vibrationswiderstand | 10-55Hz (Doppelamplitude: 1,5 mm) | ||||||||
Installation | PCB oder Steckdose mit DIN -Schiene oder Schraube | ||||||||
Gewicht | Ca. 33G/PCs | Ca. 35G/PCs | |||||||
Verpackung | Karton mit Papierschachtel im Inneren | 600pcs/Karton, GW: 21 kg, NW: 20 kg, Dimension (mm): 330 × 310 × 345 | |||||||
Schaltplan und Bodenansicht | |||||||||