Mikroschalter NS
CLION
| Verfügbarkeitsstatus: | |
|---|---|
| Menge: | |
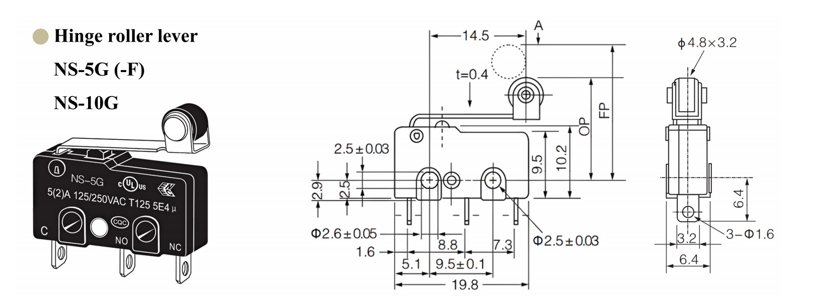
Der Scharnierrollenhebel-Mikroschalter ist ein gängiger Mikroschaltertyp mit verschiedenen Anwendungen und Eigenschaften.Sein Prinzip basiert auf einer mechanischen Auslösung, bei der die Bewegung des Rollenhebels den Ein-/Ausschaltvorgang des Schalters auslöst.
Der Scharnierrollenhebel-Mikroschalter verfügt über ein kompaktes Design und eignet sich daher für den Einbau in Geräten mit begrenztem Platzangebot.Seine geringe Größe und sein geringes Gewicht ermöglichen eine einfache Integration und Installation in verschiedenen Anwendungen.
Der Rollenhebel dieses Schalters wird durch äußere Kräfte ausgelöst.Wenn der Rollenhebel Druck oder Spannung erfährt, aktiviert er den Schalter und ermöglicht den Stromfluss im Stromkreis.Der Scharnier-Rollenhebel-Mikroschalter bietet eine hohe Zuverlässigkeit und sorgt auch in rauen Umgebungen für eine präzise und zuverlässige Schaltfunktion.Es widersteht Vibrationen, Stößen und anderen externen Faktoren und sorgt so für eine stabile Leistung.
Der Schalter reagiert sehr empfindlich auf äußere Kräfte und erfordert nur einen geringen Kraftaufwand, um ihn auszulösen.Dies ermöglicht ein schnelles und präzises Ein-/Ausschalten und eignet sich daher für Anwendungen, die eine präzise Steuerung erfordern.Darüber hinaus verfügt der Mikroschalter mit Scharnierrollenhebel über eine lange Lebensdauer und hält häufigen und wiederholten Ein-/Ausschaltvorgängen stand.Dies macht es zu einer zuverlässigen Wahl für Anwendungen, die häufiges Umschalten erfordern.
Der Scharnierrollenhebel-Mikroschalter wird häufig in verschiedenen Anwendungen eingesetzt.Es wird häufig zur Grenz- und Positionserkennung, Sicherheitsverriegelungen und Steuerungssystemen in Industriemaschinen verwendet.In automatisierten Produktionslinien kann der Scharnierrollenhebel-Mikroschalter beispielsweise die Position und Bewegung von Objekten erkennen und so den reibungslosen Betrieb und die Sicherheit der Produktionslinie gewährleisten.
Darüber hinaus wird der Scharnierrollenhebel-Mikroschalter auch in automatischen Türsteuerungen, Benutzereingaben und -steuerungen in elektronischen Geräten sowie verschiedenen Schalteranwendungen in Automobilen und Haushaltsgeräten eingesetzt.Aufgrund seiner Empfindlichkeit und Zuverlässigkeit eignet es sich für eine Vielzahl von Steuerungs- und Sensoranwendungen.
Zusammenfassend lässt sich sagen, dass der Scharnier-Rollenhebel-Mikroschalter aufgrund seines kompakten Designs, seiner hohen Zuverlässigkeit, Empfindlichkeit und langen Lebensdauer eine ideale Wahl für verschiedene Anwendungen ist.Es spielt eine entscheidende Rolle in Branchen wie Industrie, Automatisierung, Elektronik und Automobil und bietet eine genaue und zuverlässige Schaltersteuerung für verschiedene Anwendungen.
Der Scharnierrollenhebel-Mikroschalter ist ein gängiger Mikroschaltertyp mit verschiedenen Anwendungen und Eigenschaften.Sein Prinzip basiert auf einer mechanischen Auslösung, bei der die Bewegung des Rollenhebels den Ein-/Ausschaltvorgang des Schalters auslöst.
Der Scharnierrollenhebel-Mikroschalter verfügt über ein kompaktes Design und eignet sich daher für den Einbau in Geräten mit begrenztem Platzangebot.Seine geringe Größe und sein geringes Gewicht ermöglichen eine einfache Integration und Installation in verschiedenen Anwendungen.
Der Rollenhebel dieses Schalters wird durch äußere Kräfte ausgelöst.Wenn der Rollenhebel Druck oder Spannung erfährt, aktiviert er den Schalter und ermöglicht den Stromfluss im Stromkreis.Der Scharnier-Rollenhebel-Mikroschalter bietet eine hohe Zuverlässigkeit und sorgt auch in rauen Umgebungen für eine präzise und zuverlässige Schaltfunktion.Es widersteht Vibrationen, Stößen und anderen externen Faktoren und sorgt so für eine stabile Leistung.
Der Schalter reagiert sehr empfindlich auf äußere Kräfte und erfordert nur einen geringen Kraftaufwand, um ihn auszulösen.Dies ermöglicht ein schnelles und präzises Ein-/Ausschalten und eignet sich daher für Anwendungen, die eine präzise Steuerung erfordern.Darüber hinaus verfügt der Mikroschalter mit Scharnierrollenhebel über eine lange Lebensdauer und hält häufigen und wiederholten Ein-/Ausschaltvorgängen stand.Dies macht es zu einer zuverlässigen Wahl für Anwendungen, die häufiges Umschalten erfordern.
Der Scharnierrollenhebel-Mikroschalter wird häufig in verschiedenen Anwendungen eingesetzt.Es wird häufig zur Grenz- und Positionserkennung, Sicherheitsverriegelungen und Steuerungssystemen in Industriemaschinen verwendet.In automatisierten Produktionslinien kann der Scharnierrollenhebel-Mikroschalter beispielsweise die Position und Bewegung von Objekten erkennen und so den reibungslosen Betrieb und die Sicherheit der Produktionslinie gewährleisten.
Darüber hinaus wird der Scharnierrollenhebel-Mikroschalter auch in automatischen Türsteuerungen, Benutzereingaben und -steuerungen in elektronischen Geräten sowie verschiedenen Schalteranwendungen in Automobilen und Haushaltsgeräten eingesetzt.Aufgrund seiner Empfindlichkeit und Zuverlässigkeit eignet es sich für eine Vielzahl von Steuerungs- und Sensoranwendungen.
Zusammenfassend lässt sich sagen, dass der Scharnier-Rollenhebel-Mikroschalter aufgrund seines kompakten Designs, seiner hohen Zuverlässigkeit, Empfindlichkeit und langen Lebensdauer eine ideale Wahl für verschiedene Anwendungen ist.Es spielt eine entscheidende Rolle in Branchen wie Industrie, Automatisierung, Elektronik und Automobil und bietet eine genaue und zuverlässige Schaltersteuerung für verschiedene Anwendungen.